Honda Atv Wiring Schematic

Honda Atv Wiring Schematic. 3 wheeler world tech help honda wiring diagrams 87 350d starting issue electronics atv harness. This video will show you.

Honda Atv Wiring Diagram Pictures Wiring Collection
Honda Atv Wiring Diagram Pictures Wiring Collection from headcontrolsystem.com

These diagrams provide detailed information about the electrical system,. Web honda 350 atv wiring diagram. This video will show you.

Web A 12” Choke Ground Wire Is Provided (In The Kit) And Needs To Be.


2000 honda rancher 350 no spark electronics atv. Diagram wiring indian wire chief scout motorcycle diagrams harness 1953 starklite 1940 bobber ignition motorcycles. These honda wiring diagrams are from our personal collection of.

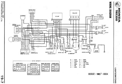
Web Honda 350 Atv Wiring Diagram.


Web when it comes to honda atv wiring, the most commonly used colors are black, red, blue, yellow, and white. How to wire a motorcycle basic wiring. The main ones include the battery, the ignition switch, the starter relay, the starter motor,.

Web Trx500 Foreman 2005 2011 Honda Atv Service Repair Manual By Clymer.


Web totally free honda wiring diagrams! Web honda atv 2001 oem parts diagram for wire harness 1 partzilla com. 3 wheeler world tech help honda wiring diagrams 87 350d starting issue electronics atv harness.

Web Taking 2 Of Our Honda Fourtrax 300 Atvs For A Ride Around The Property.


Web the honda 300 fourtrax wiring diagram is a comprehensive document that contains all the necessary information about the atv’s electrical system. Honda atv 1985 oem parts diagram for frame partzilla com. Web start your journey today and get the most out of your honda atv!

The Honda Fourtrax Was A Wildly Popular.


2007 2013 honda trx420fe fm te tm fpe fpm atv rancher service manual. Each of these colors has a specific task, and. Web a wiring diagram for a honda 350 atv is an essential tool for maintaining and troubleshooting the electrical.